Stetotec - Bergen

Zubehör für Messtaster T

» Messeinsätze mit Anschlussgewinde M2.5
» Befestigungsteile
» Pneumatikanschluss
» Verlängerungskabel

 

Befestigungsteile

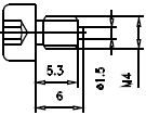
Typ / Beschreibung Zeichnung

T100/630 Klemmhülse

 

» Preisliste [PDF]

T100/630 Klemmhülse

T100/631 Klemmschraube

 

» Preisliste [PDF]

T100/631 Klemmschraube
Stetotec - Bergen Impressum | Datenschutz | Kontakt | Sitemap | © 2025 - 2026 Stetotec | Änderungen und Irrtümer vorbehalten!